Prawidłowe podłączenie licznika jednofazowego kluczowe zasady i bezpieczeństwo
- Podłączanie licznika energii elektrycznej jest czynnością zastrzeżoną wyłącznie dla certyfikowanych elektryków z uprawnieniami SEP do 1 kV.
- Samodzielna ingerencja w układ pomiarowy jest nielegalna, grozi karami finansowymi i stwarza śmiertelne niebezpieczeństwo.
- Standardowy licznik jednofazowy posiada cztery zaciski: 1 (wejście fazowe L), 2 (wejście neutralne N), 3 (wyjście fazowe L), 4 (wyjście neutralne N).
- Do podłączenia licznika należy stosować przewody miedziane (YKY) o odpowiednim przekroju, najczęściej minimum 6 mm².
- Kluczowym elementem instalacji jest zabezpieczenie przedlicznikowe, którego wartość określa dostawca energii i które jest plombowane przez OSD.
- Po podłączeniu instalacja musi zostać zgłoszona do Operatora Systemu Dystrybucyjnego (OSD) w celu odbioru technicznego i oplombowania licznika.
Bezpieczeństwo przede wszystkim: dlaczego prawidłowe podłączenie licznika jest kluczowe
Zapewnienie bezpieczeństwa w każdej instalacji elektrycznej to priorytet. W kontekście podłączania licznika energii elektrycznej, stawka jest wyjątkowo wysoka. Nieprawidłowe wykonanie tej czynności może prowadzić do zagrożenia życia, pożarów oraz poważnych konsekwencji prawnych i finansowych.
Kto jest uprawniony do montażu licznika i dlaczego nie możesz tego zrobić sam?
W Polsce podłączanie licznika energii elektrycznej jest czynnością ściśle zastrzeżoną dla certyfikowanych elektryków. Osoby te muszą posiadać odpowiednie uprawnienia SEP (Stowarzyszenia Elektryków Polskich) do 1 kV. Wynika to z faktu, że prace te wymagają nie tylko specjalistycznej wiedzy technicznej, ale także doświadczenia w pracy pod napięciem lub w jego bezpośrednim sąsiedztwie. Samodzielne próby podłączenia licznika przez osoby bez kwalifikacji są nie tylko nielegalne, ale przede wszystkim śmiertelnie niebezpieczne. Niewłaściwe połączenie może skutkować porażeniem prądem, uszkodzeniem instalacji lub wywołaniem pożaru.Konsekwencje prawne i finansowe samodzielnej ingerencji w układ pomiarowy
- Kary finansowe: Operatorzy Systemów Dystrybucyjnych (OSD), tacy jak PGE, Tauron, Enea czy Energa, traktują samodzielną ingerencję w układ pomiarowy jako nielegalne działanie. Może to skutkować nałożeniem wysokich kar finansowych za naruszenie warunków umowy i próbę manipulacji pomiarem energii.
- Brak odbioru technicznego: Instalacja podłączona bez nadzoru i odbioru przez OSD nie zostanie uznana za legalną. OSD plombuje liczniki po instalacji i odbiorze technicznym, co jest potwierdzeniem prawidłowości i bezpieczeństwa układu.
- Brak ubezpieczenia: W przypadku awarii, pożaru lub innych szkód wynikających z nieprawidłowego podłączenia, ubezpieczyciel może odmówić wypłaty odszkodowania, jeśli instalacja nie była wykonana zgodnie z przepisami i przez uprawnionego elektryka.
- Ryzyko odpowiedzialności karnej: W skrajnych przypadkach, gdy nieautoryzowana ingerencja doprowadzi do poważnych wypadków lub zagrożenia dla innych osób, sprawca może ponieść odpowiedzialność karną.
Zrozumienie roli licznika w domowej instalacji elektrycznej
Licznik energii elektrycznej to serce domowej instalacji pomiarowej. Jego podstawową rolą jest precyzyjne mierzenie zużycia energii elektrycznej w budynku. Jest on umieszczony w strategicznym punkcie pomiędzy głównym zasilaniem doprowadzonym przez Operatora Systemu Dystrybucyjnego a wewnętrzną instalacją odbiorcy. Dzięki niemu OSD może prawidłowo rozliczać pobór prądu, a my jako użytkownicy mamy świadomość naszego zużycia. Prawidłowe działanie licznika jest więc fundamentalne dla funkcjonowania całego systemu zasilania budynku.
Niezbędne narzędzia i przygotowanie miejsca pracy
Chociaż podkreślam, że prace te są dla elektryków, warto wiedzieć, jakie wyposażenie jest potrzebne do bezpiecznego i efektywnego montażu licznika. To daje inwestorowi świadomość, czego powinien oczekiwać od profesjonalisty.
Jakie narzędzia powinien posiadać profesjonalny elektryk?
- Multimetr: Do pomiaru napięcia, prądu i rezystancji, niezbędny do weryfikacji instalacji.
- Izolowane narzędzia: Wkrętaki, szczypce, kombinerki z atestem do pracy pod napięciem do 1000 V, zapewniające bezpieczeństwo.
- Ściągacze izolacji: Do precyzyjnego usuwania izolacji z przewodów bez uszkadzania żył.
- Zaciskarki: Do prawidłowego zaciskania końcówek kablowych (np. tulejek) na przewodach, co zapewnia pewne połączenia.
- Wkrętaki: Różnych rozmiarów i typów (płaskie, krzyżakowe) do mocowania zacisków i elementów montażowych.
- Próbnik napięcia: Do szybkiego sprawdzenia obecności napięcia.
- Miarka i poziomica: Do precyzyjnego montażu skrzynki i licznika.
- Latarka czołowa: W celu zapewnienia odpowiedniego oświetlenia w miejscu pracy.
Przygotowanie skrzynki licznikowej i przewodów (WLZ)
Przygotowanie miejsca pracy to kluczowy etap. Skrzynka licznikowa musi być zamontowana w odpowiednim, łatwo dostępnym miejscu, zgodnym z wytycznymi OSD i normami budowlanymi. Następnie należy wprowadzić do niej przewody zasilające, czyli Wewnętrzną Linię Zasilającą (WLZ), która doprowadza prąd z zewnątrz, oraz przewody odpływowe, które będą zasilać instalację w budynku. Ważne jest, aby przewody te były odpowiednio długie, aby umożliwić swobodne podłączenie do zacisków licznika i zabezpieczeń, a ich izolacja zewnętrzna była nienaruszona. Końcówki przewodów należy przygotować, ściągając izolację na odpowiednią długość, tak aby po podłączeniu nie wystawały gołe żyły, ale też aby izolacja nie wchodziła pod zacisk.Schemat podłączenia licznika jednofazowego: rozszyfrowujemy oznaczenia
Zrozumienie schematu podłączenia jest fundamentalne, nawet jeśli nie wykonujemy pracy samodzielnie. Pozwala to na świadome nadzorowanie i weryfikację pracy elektryka.
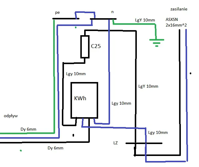
Cztery kluczowe zaciski: co oznaczają cyfry od 1 do 4?
Standardowy licznik jednofazowy wyposażony jest w cztery zaciski, które mają ściśle określone przeznaczenie:
- Zacisk 1: Wejście przewodu fazowego (L). Tutaj podłącza się przewód fazowy, najczęściej w kolorze brązowym lub czarnym, który doprowadza zasilanie z sieci Operatora Systemu Dystrybucyjnego. Jest to punkt wejścia prądu do licznika.
- Zacisk 2: Wejście przewodu neutralnego (N). Do tego zacisku podłącza się przewód neutralny, zawsze w kolorze niebieskim, również od strony zasilania. Przewód neutralny stanowi drogę powrotną dla prądu.
- Zacisk 3: Wyjście przewodu fazowego (L). Z tego zacisku wychodzi przewód fazowy, który zasila wewnętrzną instalację elektryczną w budynku. Jest to faza po przejściu przez układ pomiarowy licznika.
- Zacisk 4: Wyjście przewodu neutralnego (N). Analogicznie, z tego zacisku wychodzi przewód neutralny, który prowadzi do instalacji odbiorczej w budynku.
Rola przewodu fazowego (L) i neutralnego (N) w układzie
W jednofazowym układzie elektrycznym przewód fazowy (L) jest odpowiedzialny za doprowadzenie prądu elektrycznego pod napięciem do odbiorników. To w nim płynie prąd "aktywny", który wykonuje pracę. Przewód neutralny (N) natomiast służy jako droga powrotna dla prądu, zamykając obwód elektryczny. Jest on zazwyczaj uziemiony w stacji transformatorowej, co zapewnia bezpieczeństwo. Prawidłowe rozróżnienie i podłączenie tych dwóch przewodów jest absolutnie kluczowe dla bezpiecznego i poprawnego działania całej instalacji.
Jak poprawnie zidentyfikować kable: standardy kolorystyczne w Polsce
W Polsce, podobnie jak w większości krajów europejskich, obowiązują standardy kolorystyczne przewodów, które ułatwiają ich identyfikację i minimalizują ryzyko błędów. Przewody fazowe (L) są zazwyczaj w kolorze brązowym lub czarnym. Natomiast przewód neutralny (N) zawsze ma kolor niebieski. Warto również pamiętać o przewodzie ochronnym (PE), który jest koloru żółto-zielonego i służy do ochrony przed porażeniem, choć nie jest on bezpośrednio podłączany do zacisków licznika, lecz do szyny PE w rozdzielnicy.
Podłączanie licznika krok po kroku: przewodnik dla świadomego inwestora
Poniżej przedstawiam standardową procedurę podłączania licznika jednofazowego. Pamiętaj, że są to czynności, które muszą być wykonane przez wykwalifikowanego elektryka. Moim celem jest dostarczenie Ci wiedzy, abyś mógł zrozumieć proces i upewnić się, że wszystko odbywa się zgodnie ze sztuką.
"Pamiętaj, że wszelkie prace przy podłączaniu licznika energii elektrycznej, ze względu na bezpieczeństwo i wymogi prawne, muszą być wykonywane wyłącznie przez wykwalifikowanego elektryka z odpowiednimi uprawnieniami."
- Wprowadzenie i przygotowanie końcówek kabli zasilających: Elektryk wprowadza przewody zasilające (WLZ) od strony złącza kablowego oraz przewody odpływowe, które poprowadzą zasilanie do rozdzielnicy domowej, do skrzynki licznikowej. Następnie precyzyjnie przygotowuje końcówki kabli, usuwając izolację na odpowiednią długość i, w razie potrzeby, zaciskając końcówki tulejkowe, aby zapewnić pewne i bezpieczne połączenie.
- Podłączenie zasilania prawidłowe umiejscowienie przewodów L i N na wejściu: Przewód fazowy (L) zasilający, zazwyczaj brązowy lub czarny, jest podłączany do zacisku 1 licznika. Następnie przewód neutralny (N) zasilający, niebieski, jest podłączany do zacisku 2. Jest to kluczowy moment, gdzie nie można dopuścić do pomyłek.
- Podłączenie instalacji odbiorczej jak wyprowadzić zasilanie na dom?: Kolejnym krokiem jest podłączenie przewodów odpływowych. Przewód fazowy (L) prowadzący do instalacji w budynku jest podłączany do zacisku 3 licznika. Analogicznie, przewód neutralny (N) prowadzący do instalacji w budynku jest podłączany do zacisku 4. Połączenia te muszą być wykonane solidnie i pewnie.
- Rola zabezpieczenia przedlicznikowego i jego montaż: Przed licznikiem, na linii zasilającej, montowane jest zabezpieczenie przedlicznikowe. Jest to zazwyczaj wyłącznik nadprądowy o wartości określonej w umowie z dostawcą energii (np. B20, B25). Jego zadaniem jest ochrona całej instalacji przed skutkami zwarć i przeciążeń. Co ważne, zabezpieczenie to jest plombowane przez Operatora Systemu Dystrybucyjnego (OSD), co uniemożliwia nieuprawnioną ingerencję.
Jakie kable do licznika jednofazowego: klucz do niezawodności instalacji
Wybór odpowiednich przewodów to nie tylko kwestia zgodności z normami, ale przede wszystkim gwarancja bezpieczeństwa i niezawodności działania całej instalacji na lata.
Dobór przekroju przewodów od czego zależy i dlaczego jest tak ważny?
Dobór odpowiedniego przekroju przewodów jest jednym z najważniejszych aspektów projektowania i wykonawstwa instalacji elektrycznej. Zależy on przede wszystkim od mocy przyłączeniowej określonej w umowie z dostawcą energii oraz od przewidywanego obciążenia, czyli sumy mocy wszystkich urządzeń, które mogą być jednocześnie podłączone do instalacji. Zastosowanie przewodów o zbyt małym przekroju w stosunku do obciążenia może prowadzić do ich przegrzewania się, co z kolei zwiększa ryzyko uszkodzenia izolacji, zwarcia, a w konsekwencji pożaru. Ponadto, zbyt mały przekrój powoduje większe spadki napięcia, co negatywnie wpływa na efektywność pracy urządzeń elektrycznych.
Przewody miedziane (YKY) standard w instalacjach zasilających
W instalacjach zasilających, w tym do podłączenia licznika energii elektrycznej, standardowo stosuje się przewody miedziane typu YKY. Są to kable elektroenergetyczne z żyłami miedzianymi, w izolacji i powłoce polwinitowej, przeznaczone do układania na stałe. Charakteryzują się dobrą przewodnością i odpornością na warunki zewnętrzne. Typowe przekroje przewodów używanych do podłączenia licznika od strony zasilania to minimum 6 mm², a w wielu przypadkach, zwłaszcza przy większych mocach przyłączeniowych, stosuje się przewody o przekroju 10 mm². Przewody od licznika do rozdzielnicy domowej również muszą mieć odpowiedni przekrój, dobrany do obciążenia i zabezpieczeń wewnętrznych.
Najczęstsze błędy przy montażu licznika i jak ich unikać
Znajomość potencjalnych błędów jest kluczowa dla zapewnienia bezpieczeństwa i prawidłowego funkcjonowania instalacji. Oto najczęściej spotykane pomyłki i ich konsekwencje:
- Pomylone przewody: Zamiana przewodu fazowego z neutralnym na zaciskach licznika jest jednym z poważniejszych błędów. Może to prowadzić do nieprawidłowego pomiaru energii, a co gorsza, do zagrożenia porażeniem prądem, ponieważ elementy, które powinny być bezpieczne (np. obudowa urządzenia podłączona do neutralnego), mogą znaleźć się pod napięciem.
- Niewłaściwy dobór przekroju przewodów: Zastosowanie przewodów o zbyt małym przekroju w stosunku do mocy przyłączeniowej i obciążenia jest bardzo niebezpieczne. Skutkuje to przegrzewaniem się kabli, co może prowadzić do uszkodzenia izolacji, zwarcia, a w konsekwencji ryzyka pożaru.
- Niedokręcone zaciski: Słabe dokręcenie przewodów w zaciskach licznika lub zabezpieczeń to częsty błąd. Powoduje to zwiększoną rezystancję w punkcie styku, co prowadzi do przegrzewania się zacisków, iskrzenia, a nawet topienia się izolacji i pożaru. Z czasem takie połączenie może również całkowicie stracić kontakt.
- Omijanie procedur Operatora Systemu Dystrybucyjnego (OSD): Próba samodzielnego podłączenia licznika bez posiadania uprawnień i bez zgłoszenia instalacji do OSD to poważne naruszenie przepisów. Grozi to nie tylko karami finansowymi, ale przede wszystkim stwarza śmiertelne zagrożenie dla użytkowników i otoczenia, a także uniemożliwia legalne korzystanie z energii elektrycznej.
Proces formalny po podłączeniu: co dalej
Po fizycznym podłączeniu licznika przez wykwalifikowanego elektryka, praca jeszcze się nie kończy. Następnym etapem jest formalne uruchomienie układu pomiarowego, co wymaga współpracy z Operatorem Systemu Dystrybucyjnego.
Zgłoszenie instalacji do odbioru technicznego
Po zakończeniu prac montażowych związanych z licznikiem i zabezpieczeniem przedlicznikowym, elektryk odpowiedzialny za instalację musi zgłosić wykonaną instalację do Operatora Systemu Dystrybucyjnego (OSD). Celem tego zgłoszenia jest przeprowadzenie odbioru technicznego. Jest to niezbędny krok, aby układ pomiarowy został uznany za prawidłowo wykonany i bezpieczny, a także aby możliwe było legalne rozpoczęcie poboru energii elektrycznej.
Rola pracownika OSD: kontrola, plombowanie i uruchomienie
W odpowiedzi na zgłoszenie, na miejsce instalacji przybywa pracownik OSD. Jego rola jest wieloaspektowa i kluczowa dla całego procesu. Przede wszystkim dokonuje on kontroli poprawności podłączenia licznika oraz zgodności wykonania z obowiązującymi normami i warunkami technicznymi przyłączenia. Następnie, po pozytywnej weryfikacji, pracownik OSD dokonuje plombowania licznika oraz zabezpieczenia przedlicznikowego. Plomby te są gwarancją, że w układ pomiarowy nie będzie ingerencji osób nieuprawnionych. Ostatecznie, po wszystkich formalnościach, pracownik OSD finalnie uruchamia układ pomiarowy, co oznacza, że instalacja jest gotowa do użytku.
Przeczytaj również: Kabel a przewód: Kluczowa różnica, której nie zna większość Polaków
Czym są nowoczesne liczniki zdalnego odczytu i czy ich podłączenie się różni?
Obecnie w Polsce coraz częściej montowane są nowoczesne liczniki elektroniczne ze zdalnym odczytem, znane również jako liczniki inteligentne (AMI - Advanced Metering Infrastructure). Zastępują one starsze liczniki indukcyjne. Ich główną zaletą jest możliwość automatycznego przesyłania danych o zużyciu energii do OSD, eliminując potrzebę fizycznego odczytu. Jednakże, z punktu widzenia podłączenia przewodów głównych (fazowego i neutralnego) do zacisków licznika, zasada pozostaje taka sama jak w przypadku tradycyjnych urządzeń. Różnice dotyczą głównie wewnętrznej budowy elektronicznej i funkcji dodatkowych, takich jak komunikacja czy pomiar parametrów sieci.
